Υπολογισμός συντελεστή θερμοπερατότητας αδιαφανών δομικών στοιχείων
Γενικά στοιχεία
Στρώσεις
Εξωτερική παρειά δομικού στοιχείου (Οροφη: πάνω, τοίχος: έξω, Δάπεδο: κάτω) - πχ 0oC
Πάχος d (m)
Κατηγορία
Υποκατηγορία
Υλικό
λ (W/m.K)
d/l
Εσωτερική παρειά δομικού στοιχείου (Οροφη: κάτω, τοίχος: μέσα, Δάπεδο: πάνω) - πχ 20oC
RΣd
(m2.K/W)
Αντιστάσεις θερμικής μετάβασης
Εσωτερικό στρώμα αέρα
Ri
(m2.K/W)
Εξωτερικό στρώμα αέρα
Ra
(m2.K/W)
Αντίσταση κεραμοσκεπής
Ru
(m2.K/W)
Διάκενο αέρα σε ηρεμία
Πάχος αέρα [mm]
Ροή
Ανακλαστική επιφάνεια (ε)
Rδ
(m2.K/W)
Αποτελέσματα
U=1/Rολ
W/(m2.K)
Rολ
(m2.K/W)
Σκαριφήματα - Προφιλ - Εκτυπώσεις
Παραδοχή μονοδιάστατης ροής και ομογενών στρώσεων στο δομικό στοιχείο (νόμος Fourier,
ΤΟΤΕΕ-20701-1 και ΤΟΤΕΕ-20701-2).
Στις περιπτώσεις αεριζόμενου διακένου ανατρέξτε στην ΤΟΤΕΕ-20701-2 για κάθε περίπτωση
(αεριζόμενο, μερικώς αεριζόμενο κ.λπ.) ώστε συμπεριλάβετε μόνο τις στρώσεις που συνεισφέρουν.
Υπολογισμός συντελεστή θερμοπερατότητας απλού ανοίγματος με ή χωρίς επικαθήμενο ρολό.
Γενικά στοιχεία
Κατασκευαστικά στοιχεία
Επικαθήμενο ρολό
Εξωτερική προσστασία
1
Ανοίγματα - Διαστάσεις
Όνομα
Μήκος (m)
Ύψος (m)
Φύλλα (-)
Uw
Uw,rb
Uw,r
gw
Σκαριφήματα - Εκτύπωση
Ο υπολογισμός του Uw,r γίνεται, προκειμένου να χρησιμοποιηθεί στη μελέτη ενεργειακής απόδοσης για την εισαγωγή των τιμών των συντελεστών
θερμοπερατότητας του κάθε κουφώματος στο υπολογιστικό πρόγραμμα. Κατά τον έλεγχο θερμομονωτικής επάρκειας ο έλεγχος πληρότητας του κανονισμού
τόσο ως προς την επάρκεια του συντελεστή θερμοπερατότητας Uw του κάθε κουφώματος, όσο και της τιμής του μέσου συντελεστή Um του κτηρίου δεν γίνεται
χρήση της τιμής του συντελεστή θερμοπερατότητας με κλειστά τα εξωτερικά προστατευτικά φύλλα (Uw,rb) αλλά αυτής χωρίς την ύπαρξη των προστατευτικών
φύλλων (Uw).
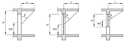
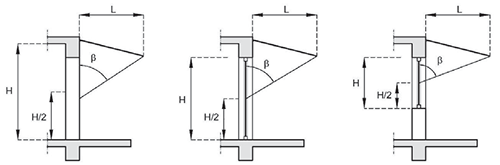
Υπολογισμός ισοδύναμου συντελεστή θερμοπερατότητας U΄
Ισοδύναμος συντελεστής θερμοπερατότητας U'FB [W/(m2K)] οριζόντιου δομικού στοιχείου ονομαστικού συντελεστή θερμοπερατότητας Ufb [W/(m2K)] με χαρακτηριστική διάσταση πλάκας Β' που εκτείνεται σε βάθος z [m]
Ισοδύναμος συντελεστής θερμοπερατότητας U'TB [W/(m2K)] κατακόρυφου δομικού στοιχείου ονομαστικού συντελεστή θερμοπερατότητας Utb [W/(m2K)] που εκτείνεται σε βάθος z [m]
Σκαριφήματα
Ο έλεγχος θερμομονωτικής επάρκειας δομικού στοιχείου που έρχεται σε επαφήμε το έδαφος
γίνεται για τον ονομαστικό συντελεστή θερμοπερατότητας (U) του δομικού στοιχείου και όχι με τον ισοδύναμο
συντελεστή θερμοπερατότητας (U').
Εάν το δάπεδο εδράζεται σε διάφορες στάθμες λόγω κλίσης του εδάφους τότε μέσο Ζ ή z=(z1+z2)/2
Εάν ο τοίχος βρίσκεται σε επαφή με το έδαφος για ένα τμήμα του ενώ το ανώτερο βρίσκεται σε επαφή με
τον αέρα θα πρέπει να χωρίσετε τον τοίχο σε 2 τμήματα (1 για το έδαφος και 1 για τον αέρα).
Σκιάσεις
Στοιχεία κατασκευής
Συντελεστές σκίασης
ΤοίχοςΣκαριφήματα
Κάντε τον υπολογισμό για βασικά εμπόδια (ορίζοντα, προβόλου, πλευρικών από αριστερά και δεξιά) και έπειτα προσθέστε τέντες (σαν
να μην υπάρχει ο πρόβολος) ώστε να διορθωθεί ο συντελεστής ψύξης προβόλου Fov_c.
Ομοίως κάντε τον υπολογισμό για βασικά εμπόδια (ορίζοντα, προβόλου, πλευρικών από αριστερά και δεξιά) και έπειτα προσθέστε περσίδες για να υπολογιστούν συντελεστές περσίδων και να προστεθούν ως γινόμενο στις σκιάσεις ορίζοντα.
Ομοίως κάντε τον υπολογισμό για βασικά εμπόδια (ορίζοντα, προβόλου, πλευρικών από αριστερά και δεξιά) και έπειτα προσθέστε περσίδες για να υπολογιστούν συντελεστές περσίδων και να προστεθούν ως γινόμενο στις σκιάσεις ορίζοντα.
Εμβαδομετρήσεις όψεων - Υπολογισμός υλικών θερμοπρόσοψης
Διαστάσεις τοίχου
Φέρων οργανισμός %
1
Ανοίγματα
Μήκος (m)
Ύψος (m)
Ποδιά (m)
Απόσταση από αριστερά (m)
Σκαριφήματα - Προμετρήσεις
- Εμβαδομετρείται ο τοίχος. Αφαιρούνται τα ανοίγματα. Υπολογίζεται ο φέρων οργανισμός. Προκύπτει η επιφάνεια πλήρωσης.
- Στις εκτυπώσεις υπολογίζονται ενδεικτικά τα υλικά για την θερμοπρόσοψη του τοίχου.
- Εάν στην όψη δεν εμφανίζεται φέρων οργανισμός εισάγετε την τιμή 0 στο ποσοστό φέροντα.
Κέλυφος - Εμβαδομέτρηση κάτοψης
1
Τοιχοποιία
Όνομα
Μήκος (m)
Προσανατολισμός (deg)
Σκαριφήματα - Προμετρήσεις
Εισάγετε την τοιχοποιία ξεκινώντας από ένα τοίχο τυχαίου προσανατολισμού (πχ βόρειος) και συνεχίστε με τη σειρά που εμφανίζονται οι τοίχοι δεξιόστροφα.
Ογκομετρήσεις
Τυπικοί χώροι - V=A x B x h
Δίριχτη στέγη - V=1/2 x A x B x h
Τετράριχτη στέγη (τετράγωνη κάτοψη) - V=1/3 x A2 x h
Τετράριχτη στέγη (ορθογωνική κάτοψη) - V=1/6 x Β x h x [2B+3(A-B)]
Σκαριφήματα
Θερμική ζώνη
Στοιχεία Θ.Ζ.
Συνθήκες (ΤΟΤΕΕ-20701-1)
| Aποτελέσματα για τη Θ.Ζ. | ||
|---|---|---|
| Είδος | Τιμή | Μονάδες |
| Κατηγορία | - | |
| Χρήση | - | |
| Τύπος υπολογισμού ΖΝΧ | - | |
| Άτομα | - | |
| Απαίτηση ΖΝΧ | m3/έτος | |
| Απαίτηση νωπού αέρα | m3/h | |
| Ελάχιστη ισχύς φωτισμού (εάν όλη η ζώνη έχει την ίδια στάθμη φωτισμού σε lx) | W | |
| Συνθήκες της θερμικής ζώνης | ||
| Ωράριο λειτουργίας | ||
| Ώρες λειτουργίας | h | |
| Ημέρες λειτουργίας | d | |
| Μήνες λειτουργίας | m | |
| Θερμοκρασία/Σχετική υγρασία | ||
| Θερμοκρασια χειμερινή περίοδος (oC) | (oC) | |
| Θερμοκρασια θερινή περίοδος (oC) | (oC) | |
| Σχετική υγρασία χειμερινή περίοδος (%) | % | |
| Σχετική υγρασία % θερινή περίοδος (%) | % | |
| Νωπός αέρας | ||
| Άτομα | - | |
| Νωπός αέρας/άτομο [m3/h/άτομο] | m3/h/άτομο | |
| Νωπός αέρας/m2 [m3/h/m2] | m3/h/m2 | |
| Φωτισμός | ||
| Στάθμη φωτισμού (lx) | lx | |
| Στάθμη φωτισμού (m) | m | |
| UGR | - | |
| Uo | - | |
| Ισχύς από χρήστες | ||
| W/άτομο | watt/άτομο | |
| W/m2 | watt/m2 | |
| Συντελεστής παρουσίας | - | |
| Ισχύς από εξοπλισμό | ||
| W/m2 | watt/m2 | |
| Συντελεστής ετεροχρονισμού | - | |
| W/m2 (ετερ.) | watt/m2 | |
| Συντελεστής λειτουργίας | - | |
| ZNX | ||
| lt/άτομο/ημέρα | lt/άτομο/ημέρα | |
| lt/m2/ημέρα | lt/m2/ημέρα | |
| m3/κλίνη/έτος | m3/κλίνη/έτος | |
| m3/m2/έτος | m3/m2/έτος | |
Απαραίτητη προυπόθεση κατά την εφαρμογή του Κ.ΕΝ.Α.Κ. είναι η κάλυψη τουλάχιστον του 60%
των αναγκών για ΖΝΧ από ανανεώσιμες πηγές (ηλιακά).
Θέρμανση
Υπερδιαστασιολόγηση λέβητα
Ισχύς Pn - Απαίτηση Pgen
Λέβητας Ενεργειακής Επισήμανσης της 811/2013 της ΕΕ
Λέβητας χωρίς σήμανση (με φύλλο συντήρησης ή απουσία φύλλου)
ngm
ng1
ng2
ngen : nsΚΘ × ng1 × ng2
Ο υπολογισμός δίνει την ευννοικότερη περίπτωση. Εάν εισάγετε τιμή στη σήμανση (nsΑΘ) υπολογίζεται με βάση τον κανονισμό 811/2013.
Εάν εισάγετε τιμή στο φύλλο συντήρησης (ngm) υπολογίζεται με βάση το φύλλο συντήρησης. Εάν δεν εισάγετε σε κανένα από τα δύο
επιλέγεται το ngm απο πίνακες ΤΟΤΕΕ. Εάν δεν εισάγετε τιμή σε κανένα από τα τρία επιλέγεται ngm για λέβητα χωρίς στοιχεία.
Ψύξη
ΑΘ για ψύξη
Εάν τηρεί τον κανονισμό Ενεργειακής Σήμανση της ΕΕ (με βάση το θερμαινόμενο μέσο)
Α. Αέρας (ΕΕ 626/2011)
SEER=0.60 x SEERΕΣ
Β. Νερό >100KW (ΕΕ 811/2011).
Χωρίς ενεργειακή επισήμανση
Αν δεν είναι γνωστά τα χαρακτηριστικά
TOTEE-20701-1
Ενδεικτικά
Δεν χρησιμοποιείται
Σημειώσεις ψύξης
Τοπικές ή ημικεντρικές μονάδες απ’ευθείας εκτόνωσης με ψυχόμενο μέσο τον αέρα:
Αντλίες θερμότητας με ψυχόμενο μέσο το νερό (P < 100kw):
Αντλίες θερμότητας με ψυχόμενο μέσο το νερό (P > 100kw) ως προς τον έλεγχο υπερδιαστασιολόγησης:
και
Ο συντελεστής υπερδιαστασιολόγησης Υ ορίζεται ως λόγος της εγκατεστημένης ονομαστικής ψυκτικής ικανότητας της κεντρικής ψυκτικής εγκατάστασης ως προς τα ανωτέρω υπολογιζόμενα ψυκτικά φορτία σχεδιασμού (Pgen) όπου Υ>=1.
- SEER = 0,60 ∙ SEERΕΣ (αν πληρούν τον κανονισμό Ενεργειακής Επισήμανσης της ΕΕ 626/2011)
- SEER = EER για εξωτερική θερμοκρασία 35oCκαι εσωτερική θερμοκρασία 26oC για ΑΘ χωρίς σήμανση
- SEER = 1.7 για συστήματα εγκατεστημένα πριν το 1990 ή αν δεν είναι γνωστή η εγκατάσταση
- SEER = 2.2 για συστήματα εγκατεστημένα μεταξύ του 1990 και του 2000
- SEER = 2.5 για συστήματα εγκατεστημένα μετά το 2001.
Αντλίες θερμότητας με ψυχόμενο μέσο το νερό (P < 100kw):
- SEER = EER για εξωτερική θερμοκρασία 35oC και θερμοκρασία προσαγόμενου ψυχόμενου μέσου 7οC για αερόψυκτη ΑΘ (ΕΝ 14511:2007)
- SEER = EER για θερμοκρασία γεωεναλλάκτη 15οC και θερμοκρασία προσαγόμενου ψυχόμενου μέσου 7οC για γεωθερμική ΑΘ
- SEER = 2.2 για συστήματα εγκατεστημένα πριν το 1990 ή αν δεν είναι γνωστή η εγκατάσταση
- SEER = 2.7 για συστήματα εγκατεστημένα μεταξύ του 1990 και του 2000
- SEER = 3.0 για συστήματα εγκατεστημένα μετά το 2001.
Αντλίες θερμότητας με ψυχόμενο μέσο το νερό (P > 100kw) ως προς τον έλεγχο υπερδιαστασιολόγησης:
- SEER/EER = a x Yb (ως δύναμη) (Συντελεστή υπερδιαστασιολόγησης Υ για Screw πιν 4.5γ ΤΟΤΕΕ-20701-1)
- SEER/EER = a x ln(Y) + b (ως λογαριθμικός) (Συντελεστή υπερδιαστασιολόγησης Υ για Recipr,WCA,WCB πιν 4.5γ ΤΟΤΕΕ-20701-1)
- Screw : αερόψυκτος ψύκτης / Α.Θ με κοχλιωτό συμπιεστή και με δυνατότητα εκφόρτισης
- Scroll : αερόψυκτος ψύκτης / Α.Θ. με σπειροειδή συμπιεστή και με δυνατότητα εκφόρτισης
- Recipr: αερόψυκτος ψύκτης / Α.Θ με παλινδρομικό συμπιεστή χωρίς δυνατότητα εκφόρτισης
- WCA: υδρόψυκτος ψύκτης / Α.Θ χωρίς δυνατότητα εκφόρτισης (χαμηλής απόδοσης)
- WCΒ: υδρόψυκτος ψύκτης / Α.Θ με δυνατότητα εκφόρτισης (υψηλής απόδοσης)
και
Ο συντελεστής υπερδιαστασιολόγησης Υ ορίζεται ως λόγος της εγκατεστημένης ονομαστικής ψυκτικής ικανότητας της κεντρικής ψυκτικής εγκατάστασης ως προς τα ανωτέρω υπολογιζόμενα ψυκτικά φορτία σχεδιασμού (Pgen) όπου Υ>=1.
ΖΝΧ
Μονάδες παραγωγής
Προσαύξηση για την επιτάχυνση λειτουργίας (α) (σελ. 143 ΤΟΤΕΕ-20701-1)
Μέσος χρόνος απόδοσης θερμικής ενέργειας (ώρες)
Θερμοκρασία νερού δικτύου T1 (oC)
Θερμοκρασία σχεδιασμού δικτύου T2 (oC)
Όπου:
Στις εν λόγω αντλίες θερμότητας ο εποχιακός βαθμός απόδοσης (SPF) πρέπει να είναι μεγαλύτερος από (1,15x1/η), όπου "η" είναι ο λόγος της συνολικής ακαθάριστης παραγωγής ηλεκτρικής ενέργειας προς την κατανάλωση πρωτογενούς ενέργειας για την παραγωγή ηλεκτρικής ενέργειας, σύμφωνα με την κοινοτική οδηγία 2009/28/ΕΚ, και σε κάθε περίπτωση μεγαλύτερος από 3,3. - για κατηγορίες χρήσεων κτιρίων χαμηλής ζήτησης σε ΖΝΧ, σύμφωνα με τα οριζόμενα στο πρότυπο ΕΛΟΤ ΕΝ/15316-3.1.2008, όπως ισχύει κάθε φορά. Σε περίπτωση μεγάλου κυκλώματος με επανακυκλοφορία του ΖΝΧ εφαρμόζεται κυκλοφορία με σταθερό Δp και κυκλοφορητή με ρύθμιση στροφών βάσει της ζήτησης σε ΖΝΧ.
- Πυκνότητα του νερού: ρ = 1Kg/l
- Ειδική θερμότητα: c = 4.18KJ/(Kg.K)
- Θερμοκρασία σχεδιασμού: Τ2 = 45oC
- ΔΤ: Τ2 - Τ1
Στις εν λόγω αντλίες θερμότητας ο εποχιακός βαθμός απόδοσης (SPF) πρέπει να είναι μεγαλύτερος από (1,15x1/η), όπου "η" είναι ο λόγος της συνολικής ακαθάριστης παραγωγής ηλεκτρικής ενέργειας προς την κατανάλωση πρωτογενούς ενέργειας για την παραγωγή ηλεκτρικής ενέργειας, σύμφωνα με την κοινοτική οδηγία 2009/28/ΕΚ, και σε κάθε περίπτωση μεγαλύτερος από 3,3. - για κατηγορίες χρήσεων κτιρίων χαμηλής ζήτησης σε ΖΝΧ, σύμφωνα με τα οριζόμενα στο πρότυπο ΕΛΟΤ ΕΝ/15316-3.1.2008, όπως ισχύει κάθε φορά. Σε περίπτωση μεγάλου κυκλώματος με επανακυκλοφορία του ΖΝΧ εφαρμόζεται κυκλοφορία με σταθερό Δp και κυκλοφορητή με ρύθμιση στροφών βάσει της ζήτησης σε ΖΝΧ.
Ηλιακός
Υπολογισμός συνα
F-charts
Η συνήθης πρακτική είναι η εγκατάσταση 1 m2 απλού επίπεδου ηλιακού συλλέκτη για κάθε άτομο, προκειμένου να καλυφθούν οι ανάγκες για ζεστό νερό χρήσης. Αντίστοιχα, για τη θέρμανση χώρων αντιστοιχεί 1 m2 επίπεδου απλού ηλιακού συλλέκτη για θερμικό φορτίο 700 W (≈ 600 kcal/h). ΤΟΤΕΕ-20701-1 (σελ. 171)
Φωτισμός
Ζώνες φωτισμού - ΚΑ
Ζώνη φωτισμού
(lx)
(lx)
Εμβαδόν
(m2)
(m2)
Ισχύς Κ.Α.
(W/m2)
(W/m2)
Ισχύς Κ.Α.
(W)
(W)
Ελ. απαιτήσεις
(W/m2)
(W/m2)
Ελ. απαιτήσεις
(W)
(W)
Εγκατεστημένη
(W)
(W)
Υπέρβαση
(%)
(%)
Θεωρητικό σύστημα
(kW)
(kW)
1000
500
400
300
250
200
100
ΣΥΝΟΛΟ
Έστω σε μια θερμική ζώνη ενός κτιρίου υπάρχουν ανάγκες φωτισμού οι οποίες ομαδοποιούνται σε 3 απαιτούμενες στάθμες φωτισμού: 500 lx, 300 lx και 100 lx
και άρα 3 ζώνες τεχνητού φωτισμού.
Έστω ότι τα ποσοστά κάλυψης των 3 αυτών ζωνών τεχνητού φωτισμού είναι 50% (ζώνη με 500 lx), 30% (ζώνη με 300 lx) και 20% (ζώνη με 100 lx).
Σύμφωνα με τον πίνακα 2.4α για το κτήριο αναφοράς γίνεται η αντιστοίχιση των ζωνών τεχνητού φωτισμού με τα όρια της εγκατεστημένης ισχύος (16 W/m2, 9,6 W/m2 και 3,2 W/m2 αντίστοιχα).
Οπότε κάθε θερμική ζώνη και εν τέλει κτήριο θα έχει ένα όριο εγκατεστημένης ισχύος. Το όριο εγκατεστημένης ισχύς φωτισμού (W/m2) για το κτήριο θα είναι 11,52 W/m2. (50% Χ 16 W/m2 + 30% Χ 9,6 W/m2 + 20% Χ 3,2 W/m2 = 11,52 W/m2).
Σύμφωνα με την Κ.Υ.Α. Δ6/Β/14826/17-6-2008 «Μέτρα για τη βελτίωση της ενεργειακής απόδοσης και την εξοικονόμηση ενέργειας στο δημόσιο και ευρύτερο δημόσιο τομέα» (ΦΕΚ Β’ 1122) τα επίπεδα φωτισμού καθορίζονται από το ΕΝ 12464-1 και δεν επιτρέπεται υπέρβαση (προς τα πάνω) του ορίου της μέσης ελάχιστης στάθμης γενικού φωτισμού (lx) περισσότερο από το 30% αυτής. Για τις ελάχιστες απαιτήσεις ενεργειακής απόδοσης κτιρίων η μέση ελάχιστη στάθμη γενικού φωτισμού (lx) δεν πρέπει να ξεπερνά περισσότερο από το 20% αυτής.
Για τον περιορισμό της κατανάλωσης ενέργειας για φωτισμό, ο Κ.Εν.Α.Κ. καθορίζει για τα νέα και ριζικά ανακαινιζόμενα κτήρια του τριτογενούς τομέα, ως ελάχιστη φωτεινή απόδοση (lm/W) των συστημάτων γενικού φωτισμού τα 60 (lm/W) ενώ για τα αντίστοιχα κτήρια αναφοράς τα 55 (lm/W).
Έστω ότι τα ποσοστά κάλυψης των 3 αυτών ζωνών τεχνητού φωτισμού είναι 50% (ζώνη με 500 lx), 30% (ζώνη με 300 lx) και 20% (ζώνη με 100 lx).
Σύμφωνα με τον πίνακα 2.4α για το κτήριο αναφοράς γίνεται η αντιστοίχιση των ζωνών τεχνητού φωτισμού με τα όρια της εγκατεστημένης ισχύος (16 W/m2, 9,6 W/m2 και 3,2 W/m2 αντίστοιχα).
Οπότε κάθε θερμική ζώνη και εν τέλει κτήριο θα έχει ένα όριο εγκατεστημένης ισχύος. Το όριο εγκατεστημένης ισχύς φωτισμού (W/m2) για το κτήριο θα είναι 11,52 W/m2. (50% Χ 16 W/m2 + 30% Χ 9,6 W/m2 + 20% Χ 3,2 W/m2 = 11,52 W/m2).
Σύμφωνα με την Κ.Υ.Α. Δ6/Β/14826/17-6-2008 «Μέτρα για τη βελτίωση της ενεργειακής απόδοσης και την εξοικονόμηση ενέργειας στο δημόσιο και ευρύτερο δημόσιο τομέα» (ΦΕΚ Β’ 1122) τα επίπεδα φωτισμού καθορίζονται από το ΕΝ 12464-1 και δεν επιτρέπεται υπέρβαση (προς τα πάνω) του ορίου της μέσης ελάχιστης στάθμης γενικού φωτισμού (lx) περισσότερο από το 30% αυτής. Για τις ελάχιστες απαιτήσεις ενεργειακής απόδοσης κτιρίων η μέση ελάχιστη στάθμη γενικού φωτισμού (lx) δεν πρέπει να ξεπερνά περισσότερο από το 20% αυτής.
Για τον περιορισμό της κατανάλωσης ενέργειας για φωτισμό, ο Κ.Εν.Α.Κ. καθορίζει για τα νέα και ριζικά ανακαινιζόμενα κτήρια του τριτογενούς τομέα, ως ελάχιστη φωτεινή απόδοση (lm/W) των συστημάτων γενικού φωτισμού τα 60 (lm/W) ενώ για τα αντίστοιχα κτήρια αναφοράς τα 55 (lm/W).
Αερισμός
Υπολογισμός νωπού αέρα - Διακριτοί χώροι
Χρήση χώρου
Εμβαδόν χώρου (m2)
Όγκος χώρου (m3)
Άτομα/m2
m3/h/άτομο
m3/h/m2
Απαίτηση χώρου (m3/h)
Εναλλαγές (h-1)
ΣΥΝΟΛΟ
Για τον υπολογισμό του απαιτούμενου αέρα για τη μελέτη ενεργειακής απόδοσης, οι βοηθητικοί χώροι (π.χ. κλιμακοστάσια, διάδρομοι,
λουτρά, αποθήκες κ.ά.) κάθε θερμικής ζώνης, θα συνυπολογίζονται με την τιμή του πίνακα 2.3. που αντιστοιχεί σε βοηθητικούς χώρους.
Δηλαδή, σε θερμική ζώνη που περιλαμβάνει και βοηθητικούς χώρους (π.χ. θερμική ζώνη γραφείων συμπεριλαμβανομένων των διαδρόμων),
ο υπολογισμός του απαιτούμενου αερισμού θα γίνει με άλλη τυπική τιμή για το εμβαδό της χρήσης και με άλλη τυπική τιμή για το εμβαδό
των βοηθητικών χώρων, σύμφωνα με τον πίνακα 2.3. Επίσης στις περιπτώσεις θερμικών ζωνών που αποτελούνται μόνο από βοηθητικούς χώρους,
είναι σαφές πως ο υπολογισμός του αερισμού θα γίνει βάσει της τυπικής τιμής του πίνακα 2.3. που αντιστοιχεί σε βοηθητικούς χώρους.
Αυτοματισμοί
- Στο πρότυπο ΕΛΟΤ ΕΝ 15232:2007, ορίζονται τέσσερις κατηγορίες διατάξεων αυτομάτου ελέγχου, Α, Β, Γ και Δ. Για να χαρακτηριστεί μια διάταξη αυτομάτου ελέγχου ότι ανήκει στην κατηγορία Γ, θα πρέπει να πληροί (να διαθέτει) όλες τις επί μέρους μεμονωμένες διατάξεις αυτοματισμών ή καλύτερες από αυτές που αναφέρονται στον πίνακα 5.5., και αφορούν στις μονάδες παραγωγής θέρμανσης/ψύξης, στις μονάδες αερισμού, στο δίκτυο διανομής, στις τερματικές μονάδες κ.ά., εφόσον υπάρχουν στο κτήριο και είναι απαραίτητοι οι αυτοματισμοί. Εάν δεν πληρούνται όλοι οι όροι (επί μέρους διατάξεις αυτοματισμών) μιας κατηγορίας, τότε θεωρείται ότι η συνολική διάταξη αυτοματισμού του κτηρίου ή θερμικής ζώνης, ανήκει στην προηγούμενη κατηγορία.
- Σε κτήρια πολλαπλών ιδιοκτησιών με κεντρική θέρμανση η χρήση θερμοστατικών βαλβίδων στα θερμαντικά σώματα προϋποθέτει και κατανομή δαπανών με θερμιδομέτρηση. Σε αντίθετη περίπτωση δε λαμβάνεται υπόψη η ύπαρξη των θερμοστατικών βαλβίδων.
- Στην περίπτωση ξενοδοχείου/ξενώνα με θερμαινόμενη επιφάνεια μικρότερη των 3.500 m2, που δεν διαθέτει καμία διάταξη αυτοματισμών ενεργειακής διαχείρισης, οι διατάξεις ελέγχου και αυτοματισμών του υπό μελέτη / επιθεώρηση κτηρίου κατατάσσονται στην κατηγορία Δ. Αν όμως το υπό μελέτη / επιθεώρηση κτήριο διαθέτει σύστημα ελέγχου ηλεκτροδότησης δωματίων μέσω ηλεκτρονικών καρτών θα λαμβάνει συντελεστές διόρθωσης της αντίστοιχης κατηγορίας Γ. Στην περίπτωση που ένα κτήριο ξενοδοχείου/ξενώνα διαθέτει διατάξεις αυτοματισμών ενεργειακής διαχείρισης όπως περιγράφονται στην κατηγορία Γ και επιπλέον διαθέτει και σύστημα ελέγχου ηλεκτροδότησης δωματίων μέσω ηλεκτρονικών καρτών θα λαμβάνει τους συντελεστές διόρθωσης της αντίστοιχης κατηγορίας Β.
Αυτόνομα Φ/Β
Βασικά στοιχεία λειτουργίας
1
Φορτία που θα καλύπτει το Φ/Β
Όνομα συσκευής/ών
Συνολικά watt
Ώρες λειτουργίας
Φορτίο (Wh)
Συσσωρευτές (Wh - Ah)
Φ/Β πάνελ (Watt)
Ρυθμιστής φόρτισης (Amp)
Απλοποιητικός τρόπος υπολογισμού αυτόνομου φωτοβολταικού συστήματος (πχ για μικρά συστήματα φωτισμού). Για αναλυτικό υπολογισμό ανατρέξτε στην ΤΟΤΕΕ-20701-8 ή
σε αυτό τον υπολογισμό.
ΜΕΑ
ΠΕΑ
Υποχρέωση έκδοσης ΠΕΑ YΠΕΝ/ΔΕΠΕΑ/111748/705/19.11.2020
| Κτίριο που ανήκει στις εξαιρέσεις της παρ. 7 του άρθρου 4 του σχετ. α’: | ΜΕΑ | ΠΕΑ |
|---|---|---|
| Περίπτ. α’ (προστατευόμενα – διατηρητέα - μνημεία) | εκπονείται | εκδίδεται |
| Περίπτ. β’ (χώροι λατρείας) | εκπονείται | επιτρέπεται |
| Περίπτ. γ’ (βιομηχανικές) | δεν εκπονείται | δεν επιτρέπεται |
| Περίπτ. δ’ (προσωρινής χρήσης) | δεν εκπονείται | δεν επιτρέπεται |
| Περίπτ. ε’ (μεμονωμένα κτίρια) | εκπονείται | επιτρέπεται |
| Άλλα κτίρια κατοικίας – τριτογενούς που πληρούν την έννοια του κτιρίου του σχετ. α’ | εκπονείται | εκδίδεται |
Απαγόρευση έκδοσης ΠΕΑ YΠΕΝ/ΔΕΠΕΑ/111748/705/19.11.2020
Δεν επιτρέπεται η έκδοση ΠΕΑ για τις ακόλουθες περιπτώσεις (η ανάλυση – επεξήγηση των περιπτώσεων
της παρ. 7 του άρθρου 4 του σχετ. α’ γίνεται στην παρ. 1 της παρούσας):
- κτίρια που χρησιμοποιούνται ως βιομηχανικές εγκαταστάσεις, βιοτεχνίες, επαγγελματικά εργαστήρια, αποθήκες – logistics περίπτωση γ’ της παρ. 7 του άρθρου 4 του σχετ. α’).
- κτίρια που η διάρκεια χρήσης τους με βάση το σχεδιασμό τους δεν υπερβαίνει τα δύο (2) έτη (περίπτωση δ’ της παρ. 7 του άρθρου 4 του σχετ. α’), όπως εργοταξιακοί οικίσκοι (αφορά τη διάρκεια και όχι τα υλικά κατασκευής).
- κτίρια αγροτικών χρήσεων - πλην κατοικιών - με χαμηλές ενεργειακές απαιτήσεις και αγροτικά κτίρια - πλην κατοικιών - που χρησιμοποιούνται από τομέα καλυπτόμενο από εθνική συμφωνία που αφορά την ενεργειακή απόδοση κτιρίων (περίπτωση δ’ της παρ. 7 του άρθρου 4 του σχετ. α’), όπως τα αγροτικά σιλό κ.ά.
-
ιδιοκτησίες οι οποίες εκ της πολεοδομικής χρήσης δεν είναι «δομικά έργα» ή δεν έχουν την έννοια του κτιρίου / κτιριακής μονάδας
(που σύμφωνα με το άρθρο 2 του σχετ. α’, είναι «στεγασμένη κατασκευή με τοίχους για την οποία χρησιμοποιείται ενέργεια προς ρύθμιση
των κλιματικών συνθηκών εσωτερικού χώρου») δεν εξετάζονται στο πλαίσιο του νόμου ενεργειακής απόδοσης κτιρίων.
Ενδεικτικά αναφέρονται οι περιπτώσεις των ανοικτών ή κλειστών χώρων στάθμευσης οχημάτων, πλυντήρια αυτοκινήτων, περίπτερα, υπαίθρια θέατρα, υπαίθριοι συναυλιακοί χώροι, αυτοκινούμενα ή ρυμουλκούμενα τροχόσπιτα, πλυντήρια αυτοκινήτων, κτηνοτροφικές - πτηνοτροφικές μονάδες, στάβλοι, σφαγεία κ.ά. Σε αυτές τις περιπτώσεις δεν απαιτείται η έκδοση βεβαίωσης από Ενεργειακό Επιθεωρητή (περίπτωση β’ της παρ. 7 του άρθρου 12 του σχετ. α’). -
για κάθε κατασκευή (για να θεωρηθεί μια κατασκευή κτίριο πρέπει να είναι ολοκληρωμένη, άρτια και να μπορεί να επιτελέσει τη λειτουργία
για την οποία προορίζεται) που ενώ η πολεοδομική του χρήση εμπίπτει στις κατηγορίες κτιρίων που απαιτείται / προβλέπεται κατανάλωση
ενέργειας για τη ρύθμιση των εσωτερικών κλιματικών συνθηκών - προκειμένου να διασφαλιστεί η άνεση των χρηστών τους, εντούτοις λόγω της
ειδικής κατάστασης που βρίσκεται, δεν πληροί την έννοια του κτιρίου ή της κτιριακής μονάδας κατά τον ορισμό του άρθρου 2 του σχετ. α’
και ως εκ τούτου δε νοείται ως κτίριο (στην κατάσταση που βρίσκεται), όπως σε περιπτώσεις που δεν υπάρχει κλειστό διαμορφωμένο κέλυφος.
Σε αυτή την περίπτωση δεν εκδίδεται ΠΕΑ (π.χ. σε ημιτελή, ασκεπή κατασκευή ή ερειπωμένο κτίσμα), όμως απαιτείται να εκδοθεί σχετική βεβαίωση ότι εμπίπτει στη κατηγορία εξαίρεσης της περίπτωσης β’ της παρ. 7 του άρθρου 12 του σχετ. α’, από Ενεργειακό Επιθεωρητή που έχει το δικαίωμα έκδοσης ΠΕΑ για το συγκεκριμένο κτίσμα. Σημειώνεται ότι η έλλειψη ή η φθορά – θραύση μεμονωμένων κουφωμάτων δεν κατατάσσει το κτίριο / κτιριακή μονάδα σε αυτή τη κατηγορία και το ΠΕΑ εκδίδεται αφού αποκατασταθεί η βλάβη και διαμορφωθεί κλειστό διαμορφωμένο κέλυφος.
Τα κτίρια που χρησιμοποιούνται ως χώροι λατρείας και τα μεμονωμένα κτίρια, με συνολική ωφέλιμη επιφάνεια μικρότερη
από πενήντα τετραγωνικά μέτρα (50 τ.μ.) εξαιρούνται από την υποχρέωση έκδοσης ΠΕΑ (περιπτώσεις β’ και ε’ της παρ.
7 του άρθρου 4 του σχετ. α’). Όμως, η έκδοση ΠΕΑ είναι δυνατή εφόσον το επιθυμεί ο ιδιοκτήτης.
Ασυμβίβαστα Ν. 4409/2016 (ΦΕΚ A 136 - 28.07.2016)
Απαγορεύεται η διενέργεια ενεργειακής επιθεώρησης από Ενεργειακό Επιθεωρητή σε κτίριο ή κτιριακή μονάδα εφόσον:
Η ιδιότητα του Ενεργειακού Επιθεωρητή είναι ασυμβίβαστη με την ιδιότητα του υπαλλήλου στο Δημόσιο ή ευρύτερο Δημόσιο τομέα, με σχέση δημοσίου δικαίου ή ιδιωτικού δικαίου αορίστου χρόνου. Για την εφαρμογή του παρόντος, το Δημόσιο ή ο ευρύτερος δημόσιος τομέας ορίζεται από τις «αναθέτουσες αρχές», του άρθρου 2 του Π.δ. 60/2007 (Α’64), όπως κάθε φορά ισχύει.
- συμμετείχε στη μελέτη, κατασκευή, επίβλεψη, συντήρηση, ο ίδιος ή νομικό πρόσωπο του οποίου είναι μέλος ή εταίρος ή υπάλληλος,
- έχει δικαίωμα κυριότητας, νομής ή κατοχής, ο ίδιος, ή σύζυγος ή συγγενής του έως β’ βαθμού ή νομικό πρόσωπο του οποίου ο ίδιος είναι μέλος ή εταίρος ή υπάλληλος.
Η ιδιότητα του Ενεργειακού Επιθεωρητή είναι ασυμβίβαστη με την ιδιότητα του υπαλλήλου στο Δημόσιο ή ευρύτερο Δημόσιο τομέα, με σχέση δημοσίου δικαίου ή ιδιωτικού δικαίου αορίστου χρόνου. Για την εφαρμογή του παρόντος, το Δημόσιο ή ο ευρύτερος δημόσιος τομέας ορίζεται από τις «αναθέτουσες αρχές», του άρθρου 2 του Π.δ. 60/2007 (Α’64), όπως κάθε φορά ισχύει.
Απόκλιση στόχου (Α ΠΕΑ - Β ΠΕΑ)
Α ΠΕΑ
Β ΠΕΑ
Αποτελέσματα
Αδιαφανή δομικά - U
Αδιαφανή
Υφιστάμενο δομικό
Μονωτικό υλικό
Συντελεστής μετά τη μόνωση
Ανοίγματα - Uw/gw/Uw,rb
Διαφανή
Διαστάσεις ανοίγματος
Αποτελέσματα
Σκαρίφημα δίφυλλου ανοίγματος
Εκτυπώσεις
Υπό κατασκευήΣτέγη
--
Τιμη U Τοιχου
--
Τιμη R Τοιχου
Βάσει των ορισμένων στρώσεων τοίχου.
--
Τιμη U Στεγης
--
Τιμη R Στεγης
Περιλαμβάνει Πλάκα + Αέρα + Στέγη.
Ρυθμίσεις Γεωμετρίας
1.50m
Στρώσεις Υλικών
ΤΟΙΧΟΙ (Έξω → Μέσα)
ΠΛΑΚΑ (Κάτω → Πάνω)
ΣΤΕΓΗ (Κάτω → Πάνω)
Θερμογέφυρα
Περιβάλλοντα (Χώροι)
ΠΑΝΩ ΑΡΙΣΤΕΡΑ
ΠΑΝΩ ΔΕΞΙΑ
ΚΑΤΩ ΑΡΙΣΤΕΡΑ
ΚΑΤΩ ΔΕΞΙΑ
Κατακόρυφος Τοίχος
Στρώσεις: Αριστερά → Δεξιά
Οριζόντια Πλάκα
Στρώσεις: Πάνω → Κάτω
ΕΞΩ 0°C
ΕΞΩ 0°C
ΕΣΩ 21°C
ΕΞΩ 0°C
0°C
21°C
Iter: 0
--
U-Wall (W/m²K)
--
U-Slab (W/m²K)
Ανάλυση Υπογείου & Ισογείου
Γεωμετρία
2.5m
Τοίχος Ισογείου (Θερμαιν.)
Στρώσεις: Μέσα → Έξω
Ενδιάμεση Πλάκα
Στρώσεις: Πάνω (Ζεστό) → Κάτω
Τοίχος Υπογείου (Επαφή)
Στρώσεις: Μέσα → Έδαφος
ΙΣΟΓΕΙΟ (21°C)
ΕΞΩ (0°C)
ΥΠΟΓΕΙΟ (Μη Θερμ.)
ΕΔΑΦΟΣ (10°C)
0°C
21°C
Init...
* Το δάπεδο του υπογείου θεωρείται αμόνωτο σκυρόδεμα (30cm) σε επαφή με το έδαφος.
* Το έδαφος έχει σταθερή θερμοκρασία βάθους 10°C.
* Το έδαφος έχει σταθερή θερμοκρασία βάθους 10°C.
Ανάλυση προβόλου
Γεωμετρία Προβόλου
1.2m
Μόνωση Προβόλου
Τοιχοποιία (Wall)
Στρώσεις: Μέσα → Έξω
Πλάκα (Slab)
Στρώσεις: Πάνω → Κάτω
ΕΣΩΤΕΡΙΚΟ (21°C)
ΕΞΩΤΕΡΙΚΟ (0°C)
0°C
21°C
Init...
--
Ελαχιστη Θερμοκρασια (Tmin)
Στην εσωτερική γωνία δαπέδου/τοίχου. Κρίσιμο για μούχλα.
--
Απωλειες (Watt/m)
Συνολική ροή θερμότητας προς τα έξω.
Ανάλυση επικαθήμενου κυτίου
Διαστάσεις Κουτιού
ΜΟΝΩΣΗ ΕΝΤΟΣ ΚΟΥΤΙΟΥ
Πρέκι (Lintel)
Στρώσεις: Μέσα → Έξω
ΕΣΩΤΕΡΙΚΟ (21°C)
ΕΞΩΤΕΡΙΚΟ (0°C)
0°C
21°C
Init...
--
Tmin στο Κουτι (Εσω)
Κίνδυνος συμπύκνωσης στο καπάκι επίσκεψης.














